重視產品管理

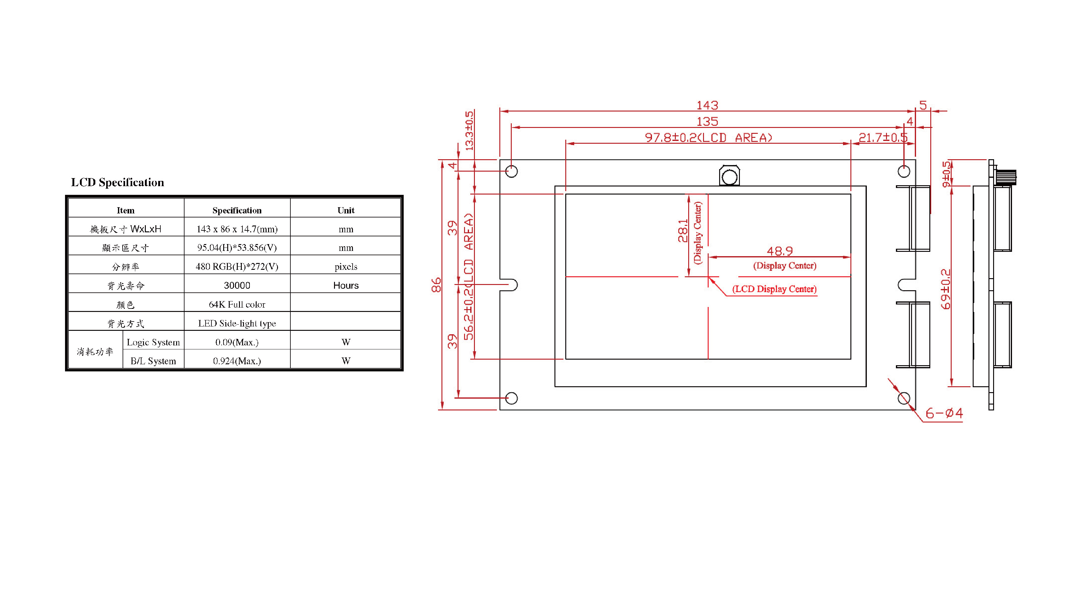
型號(Model):B3LCD4.3


貨號 : B3LCD4.3

外觀尺寸 : 143 x 86 mm
4.3 吋 彩色 TFT LCD顯示器
.採用TFT 64K 全彩色素,並使用LED背光模組
.薄型設計


加密檔案下載:

退換貨須知:

  • 除商品本身有瑕疵外,商品一率不接受退換貨。