重視產品管理

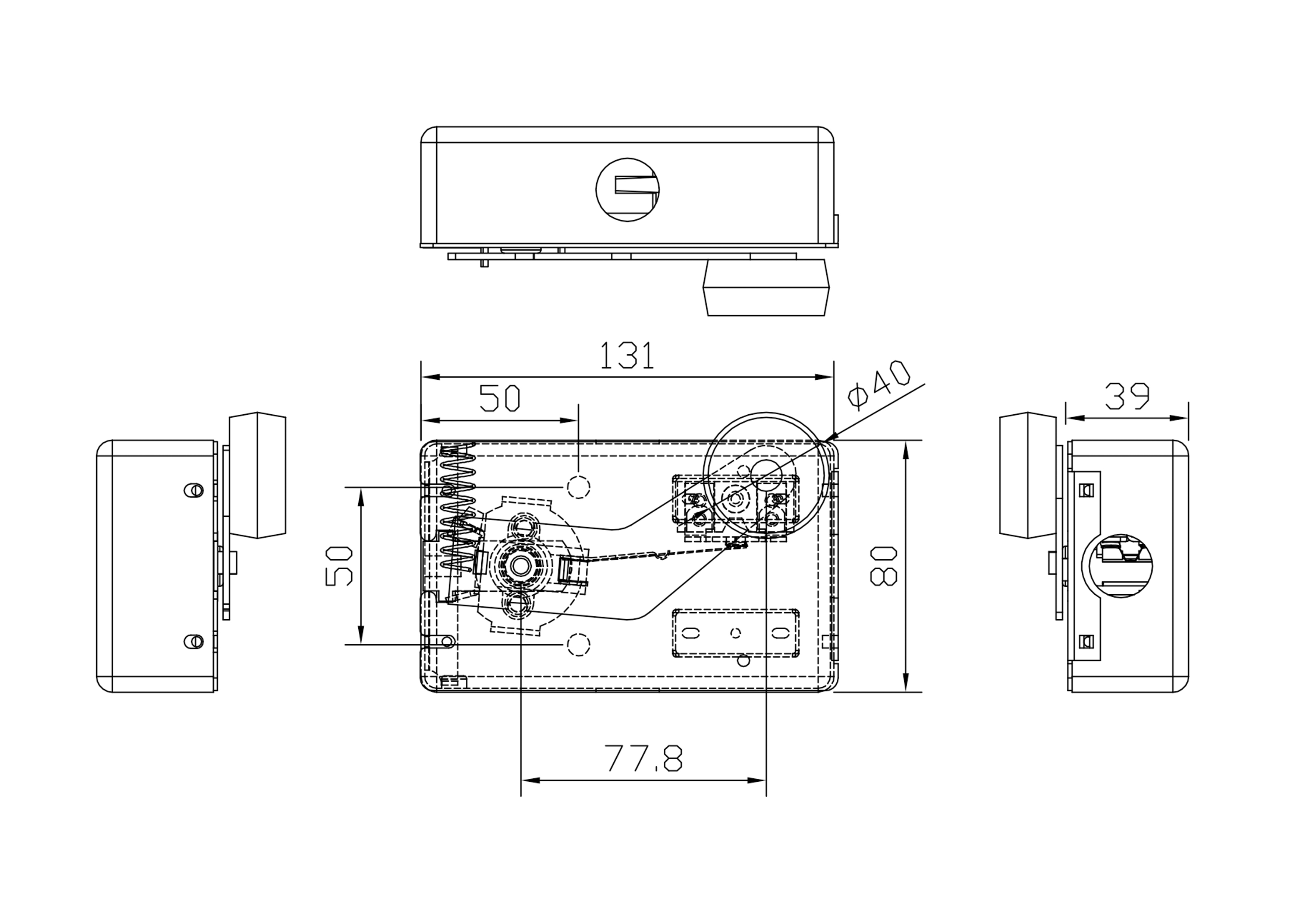
型號 (Model): TD-3(B)


貨號 : TD-3(B)

T型單輪限制開關

加密檔案下載:

退換貨須知:

  • 除商品本身有瑕疵外,商品一率不接受退換貨。