重視產品管理

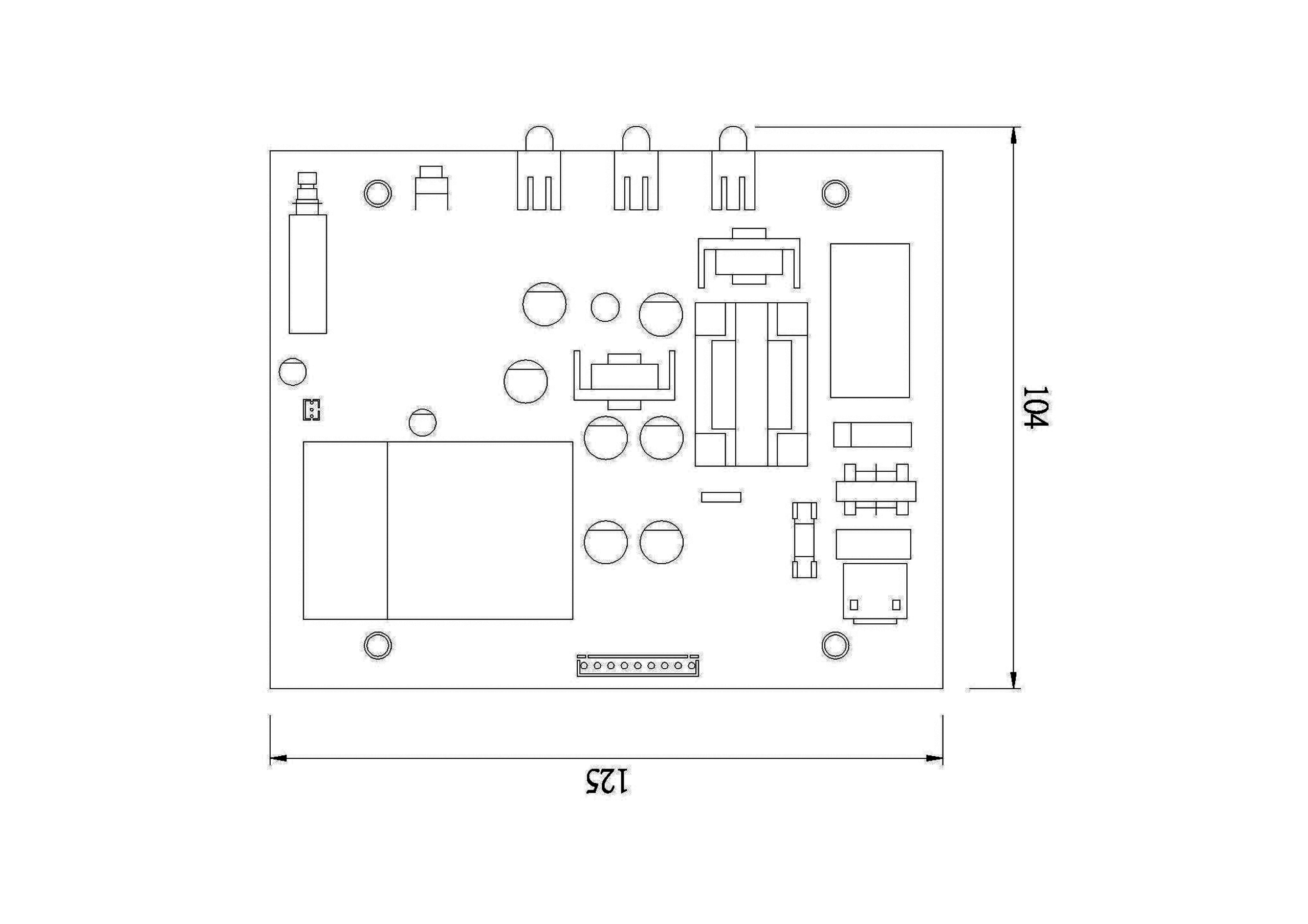
型號(Model):IP.W.S-604


貨號 : IP.W.S-604

電源供應器

加密檔案下載:

退換貨須知:

  • 除商品本身有瑕疵外,商品一率不接受退換貨。